在各种炼油厂拥有多年的经验
拥有久经证明、符合实际应用的知识体系,以及在全球许多参考炼油厂正确安装便携式仪器和在线系统的丰富经验
PRÜFTECHNIK 的所有监测系统都提供本质安全版本
提供可靠、专业且经济的状态监测设备:
离线式(便携式)状态监测仪器
在线式状态监测系统
提供处理所有数据的软件平台:从在线式到离线式振动测量、对中测量,…
通过“服务和诊断中心”支持客户,分析客户测量数据,给出特定诊断,从而定位故障源,进而提高生产力、减少停机时间。
可定制的培训和咨询:振动分析培训、平衡培训、对中培训、维护策略咨询
石油工业通常分为三个主要部分:上游、中游和下游。中游运营通常包括在下游类别中。
上游石油部门也称为勘探和生产(E&P)部门。上游部门包括寻找潜在的地下或水下油气田、钻探探井,以及随后操作油井,从而回收原油和/或未加工天然气并将其带到地面。
中游行业加工、储存、销售和运输原油、天然气、天然气液体(LNG,主要是乙烷、丙烷和丁烷)和硫磺等商品。
下游石油部门通常指的是原油提炼、天然气和原油衍生产品的销售和分销。这些产品包括液化石油气(LPG)、汽油或汽油、喷气燃料、柴油、其他燃料油、沥青和石油焦。
下游部门包括炼油厂、石化厂、石油产品分销、零售点和天然气分销公司。
下游行业通过数千种产品触及消费者,例如,汽油、柴油、喷气燃料、取暖油、沥青、润滑剂、合成橡胶、塑料、化肥、防冻剂、杀虫剂、药品、天然气和丙烷。
炼油厂全天候运营
一间典型的炼油厂建造成本高达数十亿美元,维护成本达数百万美元。
一间炼油厂一年 365 天,一天 24 小时运转,需要大量的员工来运转
如果某部分运转失灵,将变得非常危险,因为这是一个易爆环境,CM 也意味着安全
生产过程中每个环节都有大量旋转机械

油气提炼厂有大量旋转机械,例如:
泵,泵,泵…
压缩机
风机
冷却塔

轴承损坏
联轴器缺陷(磨损、失中等)
气蚀
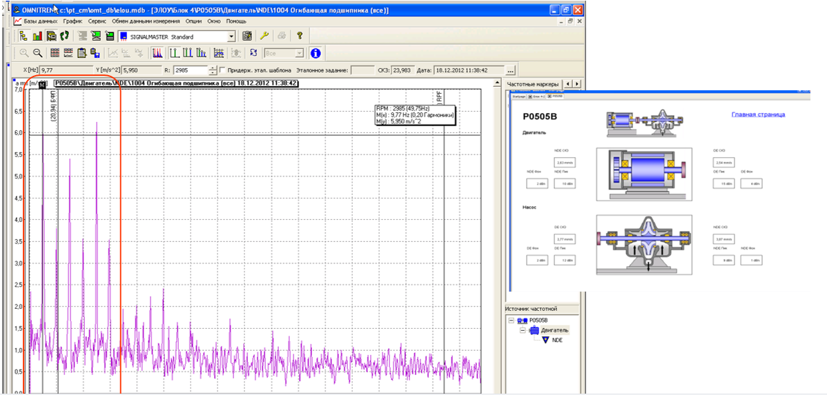
泵上发现轴承缺陷

泵上发现轴承缺陷
包络谱中的谐频
